米兰app体育登录入口
首 页
关于大亚
集团介绍
经营团队
发展历程
米兰app体育登录入口
米兰app体育登录入口
米兰app体育登录入口
行业资讯
创新专题
产业版块
大家居
智能包装
新材料
新能源
品牌家族
圣象
大亚人造板
大亚包装
大亚车轮
大亚置业
加入大亚
人才观
社会招聘
校园招聘
信息公布
招投标信息
ENG
首 页
关于大亚
集团介绍
经营团队
发展历程
米兰app体育登录入口
米兰app体育登录入口
米兰app体育登录入口
行业资讯
创新专题
产业版块
大家居
智能包装
新材料
新能源
品牌家族
圣象
大亚人造板
大亚包装
大亚车轮
大亚置业
加入大亚
人才观
社会招聘
校园招聘
信息公布
招投标信息
English
米兰app体育登录入口
company news
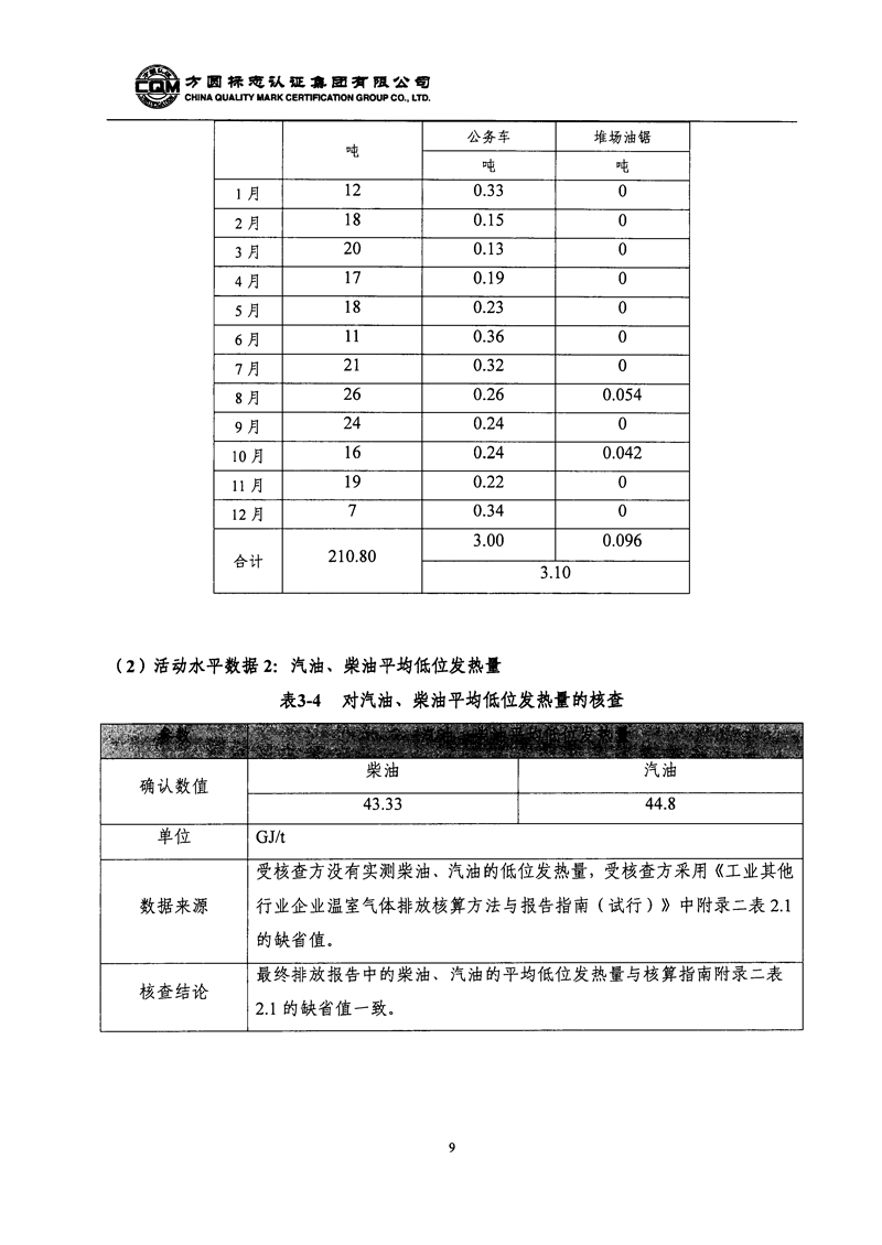
大亚人造板集团有限公司2020年度温室气体排放核查报告自主公示
2021-06-08
7571
关于大亚
集团介绍
经营团队
发展历程
米兰app体育登录入口
米兰app体育登录入口
米兰app体育登录入口
行业资讯
创新专题
产业版块
大家居
智能包装
新材料
新能源
品牌家族
圣象
大亚人造板
大亚包装
大亚车轮
大亚置业
加入大亚
人才观
社会招聘
校园招聘
信息公布
招投标信息
大亚科技集团有限公司
地址:江苏省丹阳市经济技术开发区齐梁路99号大亚工业园(212310)
电话:
传真:
E-mail:
@copy; 2025 - Copyright DARE All Rights Reserved